Home > News > Company news
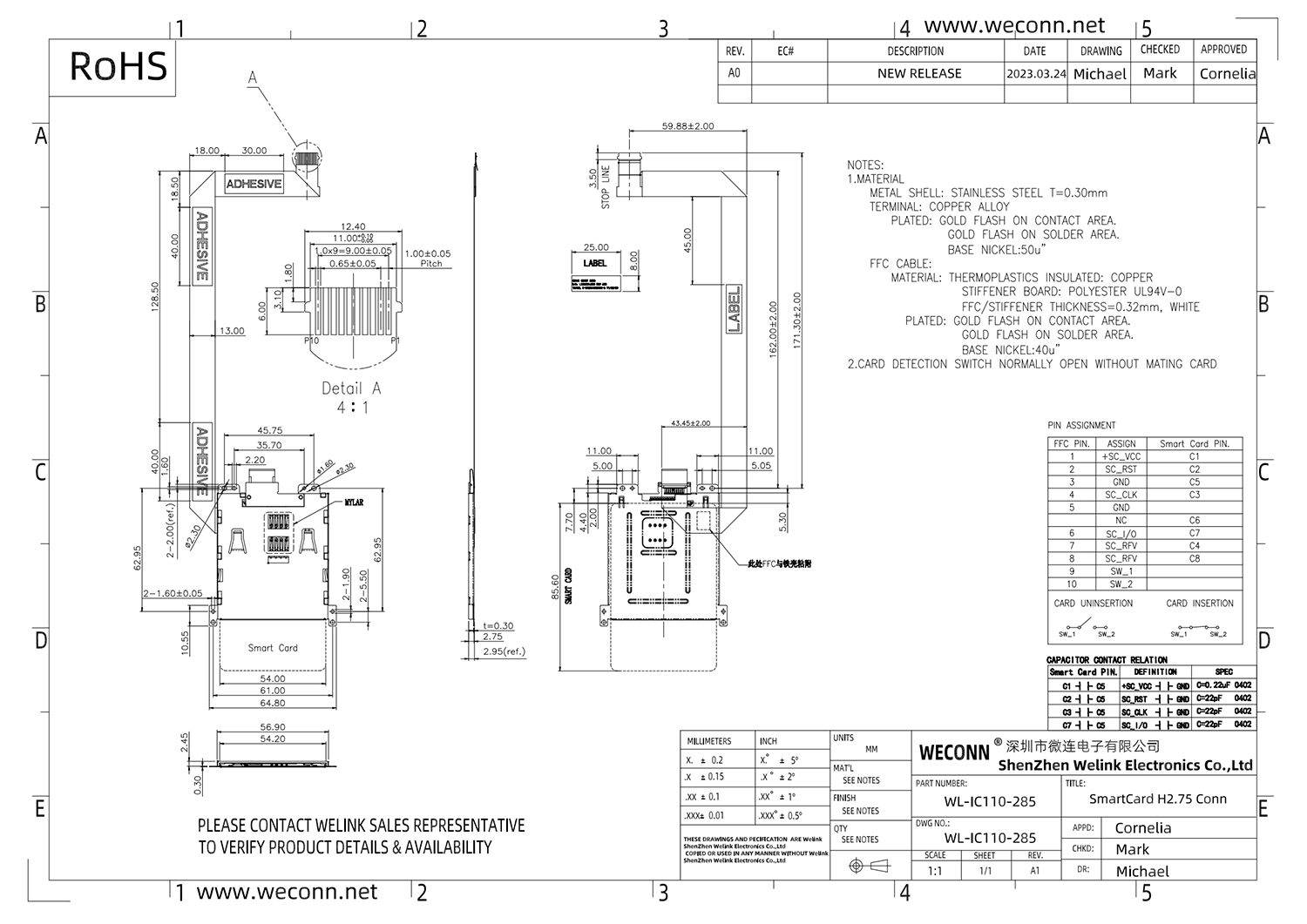
Our company launched a cable smart card connector (P/N: WL-IC110-285), which is compatible with the Dell laptop 5511/5501/5500/5410/5410/5400/3541/3540, alternative accessories model: G9X28/0G9X28/7TY79/07TY79.
Our company is a manufacturer of Smart Card Connector, and can accept customized various smart card connectors. If you need it, please contact us.

